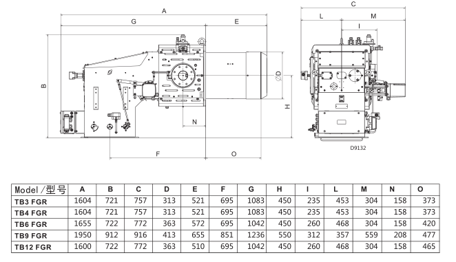
TB12 FGR道森燃燒器
更新:2019-03-19 11:23:17 點擊:
燃燒器,是使燃料和空氣以一定方式噴出混合燃燒的裝置統稱。燃燒器按類型和應用領域分工業燃燒器、燃燒機、民用燃燒器、特種燃燒器幾種。多用不銹鋼或金屬鈦等耐腐蝕,耐高溫的材料制成。燃燒器的作用是通過火焰燃燒使試樣原子化。被霧化的試液進入燃燒器,在火焰溫度和火焰氣氛作用下,經過干燥、熔融、蒸發、離解等過程,產生大量的基態原子,以及部分激發態原子、離子和分子。一個設計良好的燃燒器應具有原子化效率高、噪聲小、火焰穩定的性能,以保證有較高的吸收靈敏度和測定精密度。原子吸收光譜分析中常用縫隙燃燒器產生原子蒸氣。根據所用燃氣和助燃氣的種類不同,燃燒器縫隙的長度,寬度各有不同,一般燃燒器上都標注有適用的燃氣和助燃氣。
詳情
燃燒器,是使燃料和空氣以一定方式噴出混合燃燒的裝置統稱。燃燒器按類型和應用領域分工業燃燒器、燃燒機、民用燃燒器、特種燃燒器幾種。多用不銹鋼或金屬鈦等耐腐蝕,耐高溫的材料制成。燃燒器的作用是通過火焰燃燒使試樣原子化。被霧化的試液進入燃燒器,在火焰溫度和火焰氣氛作用下,經過干燥、熔融、蒸發、離解等過程,產生大量的基態原子,以及部分激發態原子、離子和分子。一個設計良好的燃燒器應具有原子化效率高、噪聲小、火焰穩定的性能,以保證有較高的吸收靈敏度和測定精密度。原子吸收光譜分析中常用縫隙燃燒器產生原子蒸氣。根據所用燃氣和助燃氣的種類不同,燃燒器縫隙的長度,寬度各有不同,一般燃燒器上都標注有適用的燃氣和助燃氣。
道森燃燒器
近年來,由于污染大幅度增加,全球各地,特別是所有高度工業化國家,對性能、能效和減排日益關注。為了滿足日益增長的極低 NOx 排放要求,道森基于FGR(煙道再循環)低排放技術開發了新一代整體式(350-12500kw)燃燒器,可達到最嚴格限值。
FGR技術是指對燃燒器空氣進氣口一側引入的部分廢氣實現再循環;集成電子控制通過三臺獨立的伺服電機,可以控制空氣、燃料和廢氣的比例,以達到非常低的NOx排放,但同時任可保持運行的高度可靠性;點火槍系統可保證所有型號燃燒器點火可靠性高。整體式燃燒器的所有組建都集成在一個緊湊的結構中,為安裝和維護帶來了極大的便利。







相關